Skip to content

M.R. ENGINEERING

Home » Blog

Blog

M.R. Engineering’s Electrical Engineering Blog is a concise and informative platform dedicated to all things electrical engineering. With a wealth of expertise and a passion for innovation, M.R. Engineering explores the latest advancements, industry trends and practical applications in the field of electrical engineering. Whether you’re a seasoned professional or a curious enthusiast, this blog offers insightful articles, tutorials and updates to keep you informed and inspired in the world of electrical engineering.

Featured Post

Tindie Blog | Beautiful Sounding AND Looking FM Synthesis Module

It’s no secret that a fantastic synthesizer should not only sound good but should look good too. As a collection grows and the worksurface shrinks, it becomes a competition in the versatility and...

High-Precision Dual-Band GNSS Timing Module

The new receiver from U-Blox can provide the security and performance benefits of dual-band technology and offer nanosecond-level timing accuracy. Image of NEO-F10T (Source: u-Blox) The NEO-F10T from...

Humidify the air around you with home automation

Keeping the air in your home in the right condition is incredibly important. Your home is your safe haven from the outside world, a place where you can control your environment and enjoy the comfort...

Digital Circuit Design | Types, Applications, Examples

What are Digital Signals and Circuits? Digital Signals A Digital Signal is a type of Signal that has two discrete levels, either HIGH (1) or LOW (0). These two levels are usually represented by- LOGIC...

JOB: Engineer Verification and Validation (Embedded Testing) At Emerson

APPLY HERE Location: Pune Company: Emerson Engineering Degree in Electronics (BEB Tech) Electronics & Telecommunication Instrumentation & Control Should have experience in testing of...

Ultrathin Solar Cells Offer Better Satellite Performance

Researchers at the University of Cambridge have designed a radiation tolerant photovoltaic cell featuring an ultrathin layer of light absorbing material. Photo of ultrathin on-chip solar cells. The...

JOB: ECI Detail Engineer At Siemens

APPLY HERE Location: Pune Company: Siemens Your profile Develop Instrumentation and Electrical solutions through AutoCAD. Prepare engineering drawings in COMOS/AutoCAD/SPI such as P&ID’s, General...

Transformer Construction, Types, Working Principle, And Uses

What is a Transformer A transformer is a static device that transfers electric power between two alternating current circuits with no change in frequency. The Voltage of the circuit can be reduced or...

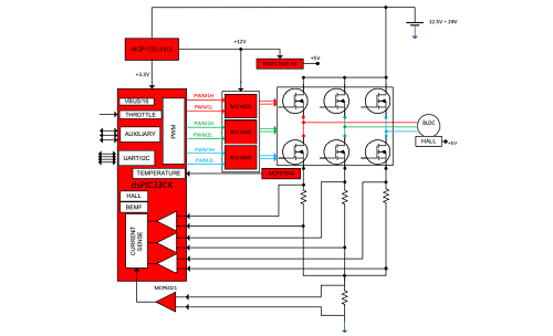
Reference Design for High Performance Power Tools

Reference design for high-performance brushless DC (BLDC) and PMSM motors, the small size and high power delivery of this motor controller make it suitable for use as a power tool. Power tools are...